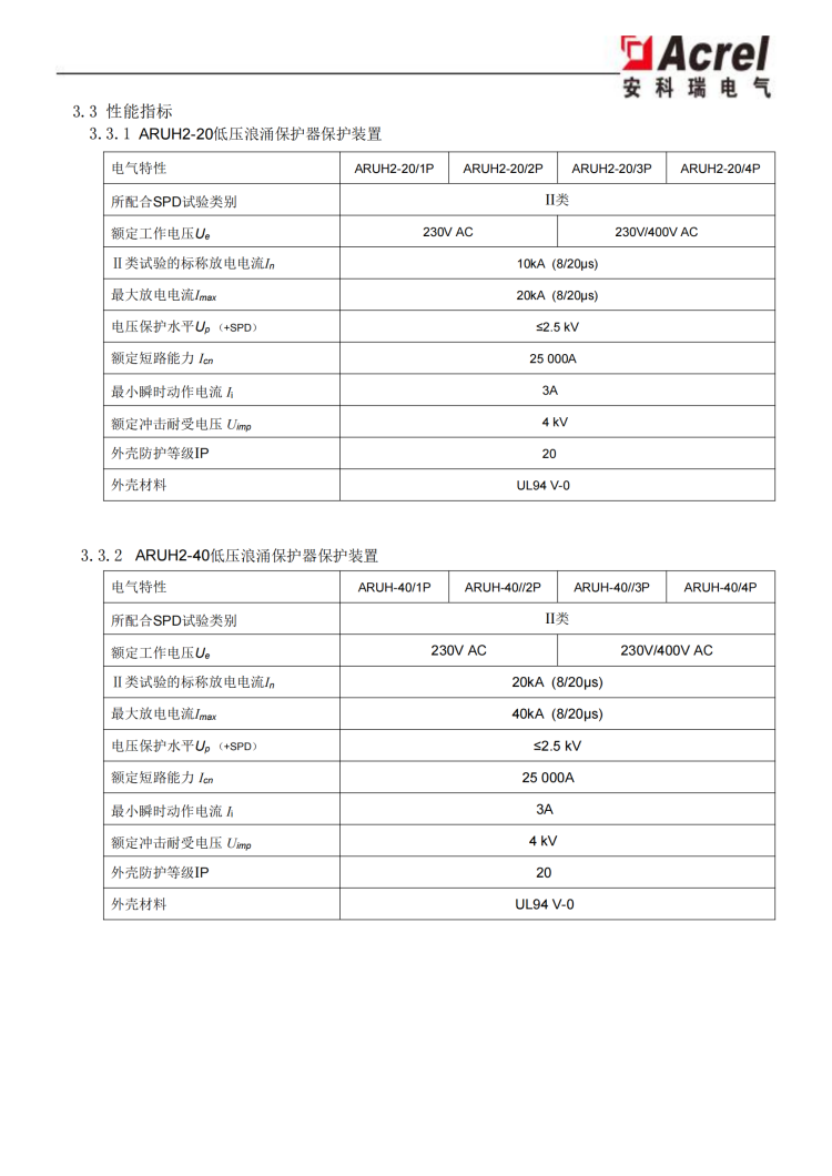
?安科瑞ARUH低壓浪涌保護裝置 發布來源:http://www.shanghaijiaji.cn/supply/242.html 發布時間:2025/2/24 0:00:00 安科瑞崔麗潔 安科瑞ARUH低壓浪涌保護裝置: 產品介紹: 上一篇:AKH-0.66/Z型空壓機用電流互感器 下一篇:微電網協調控制器ACCU-100